afstelling silentblock van onderste draagarm
afstelling silentblock van onderste draagarm
Ik heb een vraag over de afstelling van de onderste wieldraagarm voor bij montage van het silentblock.
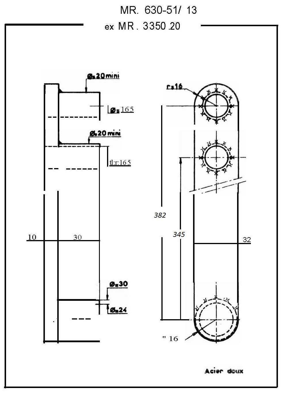
In het boek staat dat de afstand tussen de as van de bovenste draagarm en de onderste buitenste schokdemper bout 345 mm moet bedragen.
Echter, wordt echt bedooeld TUSSEN en niet hart op hart of iets anders? Er is een kaliber MR.630-51/13 voor bedacht maar ik kan nergens de maten vinden.
Wie heeft er een antwoord?
In het boek staat dat de afstand tussen de as van de bovenste draagarm en de onderste buitenste schokdemper bout 345 mm moet bedragen.
Echter, wordt echt bedooeld TUSSEN en niet hart op hart of iets anders? Er is een kaliber MR.630-51/13 voor bedacht maar ik kan nergens de maten vinden.
Wie heeft er een antwoord?
een Frans "projectje" blijkt een HY Betaillère te zijn, en is eindelijk klaar! en terug naar haar geboortedorp in de Dordogne.
Traction 11 BN 1953
DS 21 IE hydraulique
DS Break ambulance verkocht
XM V6
Fiat Topolino 1938
Traction 11 BN 1953
DS 21 IE hydraulique
DS Break ambulance verkocht
XM V6
Fiat Topolino 1938
Re: afstelling silentblock van onderste draagarm
Nu heb ikzelf eens een vraag en na 28 x bekeken te zijn ( de vraag bedoel ik dan) is er nog geen antwoord........
Hoe kan dat nu?
Hoe kan dat nu?
een Frans "projectje" blijkt een HY Betaillère te zijn, en is eindelijk klaar! en terug naar haar geboortedorp in de Dordogne.
Traction 11 BN 1953
DS 21 IE hydraulique
DS Break ambulance verkocht
XM V6
Fiat Topolino 1938
Traction 11 BN 1953
DS 21 IE hydraulique
DS Break ambulance verkocht
XM V6
Fiat Topolino 1938
- FerrHy
- HY Forum Grootmeester

- Berichten: 600
- Lid geworden op: zo okt 31, 2010 11:35 am
- Kenteken: 75-YB-34
- Locatie: Baarn
Re: afstelling silentblock van onderste draagarm
Beste JanW,
Omdat ik zo geen idee heb waar je vraag over gaat.
Er zijn,voor zover ik weet, maar weinig (actieve) forumleden die de draagarmen uit elkaar gehaald hebben.
Kijk een op de site van B. Ruiterkamp https://www.flyinghy.nl
Hij heeft eea gedocumenteerd.
https://www.flyinghy.nl/do_montage.htm
Gaat je vraag hierover?
Groeten Ferry
Omdat ik zo geen idee heb waar je vraag over gaat.
Er zijn,voor zover ik weet, maar weinig (actieve) forumleden die de draagarmen uit elkaar gehaald hebben.
Kijk een op de site van B. Ruiterkamp https://www.flyinghy.nl
Hij heeft eea gedocumenteerd.
https://www.flyinghy.nl/do_montage.htm
Gaat je vraag hierover?
Groeten Ferry
In de garage staat HY veilig, maar daarvoor is HY niet gemaakt...
Re: afstelling silentblock van onderste draagarm
Ik heb dat ook nog nooit uit elkaar gehaald en kan je dus niet uit eigen ervaring helpen.
Maar de link van FerrHY maakt wel wat duidelijk volgens mij
Maar de link van FerrHY maakt wel wat duidelijk volgens mij
Re: afstelling silentblock van onderste draagarm
Heren, bedankt voor de moeite om mij te antwoorden.
@FerrHy:
In de tweede link staat exact het probleem dat ik bedoel. De auteur kampt met precies dezelfde problemen. Zijn oplossing is dezelfde die ik in gedachten had. Dat is mooi en behoedt mij voor veel extra werk.
Fijn, morgen verder met het inelkaar zetten van de bouwdoos
@FerrHy:
In de tweede link staat exact het probleem dat ik bedoel. De auteur kampt met precies dezelfde problemen. Zijn oplossing is dezelfde die ik in gedachten had. Dat is mooi en behoedt mij voor veel extra werk.
Fijn, morgen verder met het inelkaar zetten van de bouwdoos
een Frans "projectje" blijkt een HY Betaillère te zijn, en is eindelijk klaar! en terug naar haar geboortedorp in de Dordogne.
Traction 11 BN 1953
DS 21 IE hydraulique
DS Break ambulance verkocht
XM V6
Fiat Topolino 1938
Traction 11 BN 1953
DS 21 IE hydraulique
DS Break ambulance verkocht
XM V6
Fiat Topolino 1938
Re: afstelling silentblock van onderste draagarm
Het achterste silentblock rechts achter heeft na 50 jaar "wat" slijtage waardoor de onderste draagarm teveel speling heeft. Is het meestal alleen het silentblock of is dexervarong dat ook de spiebanem op de as geleden hebben? Op t oog zie ik niet veel aan de spiebanen
Die in het sientblock daarentegen zijn dun,scherp en asymmetrisch.
Is er iemand die niet erg gehecht is aan een onderste silentblock rechts achter daar waar de stuurinrichting aan hangt?
Die in het sientblock daarentegen zijn dun,scherp en asymmetrisch.
Is er iemand die niet erg gehecht is aan een onderste silentblock rechts achter daar waar de stuurinrichting aan hangt?
een Frans "projectje" blijkt een HY Betaillère te zijn, en is eindelijk klaar! en terug naar haar geboortedorp in de Dordogne.
Traction 11 BN 1953
DS 21 IE hydraulique
DS Break ambulance verkocht
XM V6
Fiat Topolino 1938
Traction 11 BN 1953
DS 21 IE hydraulique
DS Break ambulance verkocht
XM V6
Fiat Topolino 1938
Re: afstelling silentblock van onderste draagarm
Wij zijn er ook een zomer mee aan het stoeien geweest.
Zat allemaal muurvast en niet vergeten de kogellagertjes er weer in te doen.
Leuk karweitje van onderaf. Uiteindelijk weer gelukt en de boel weer op hoogte gekregen.
Die afstand snapten wij ook niet helemaal. Werd geen hart op hart afstand aangegeven.
Zat allemaal muurvast en niet vergeten de kogellagertjes er weer in te doen.
Leuk karweitje van onderaf. Uiteindelijk weer gelukt en de boel weer op hoogte gekregen.
Die afstand snapten wij ook niet helemaal. Werd geen hart op hart afstand aangegeven.
Re: afstelling silentblock van onderste draagarm
Ja. Als het spul vastzit en het niet je dagelijks eerk ben je inderdaad een flinke tijd zoet.Het spul is wat zwaarder en bewerkelijk dan van een personenauto.
een Frans "projectje" blijkt een HY Betaillère te zijn, en is eindelijk klaar! en terug naar haar geboortedorp in de Dordogne.
Traction 11 BN 1953
DS 21 IE hydraulique
DS Break ambulance verkocht
XM V6
Fiat Topolino 1938
Traction 11 BN 1953
DS 21 IE hydraulique
DS Break ambulance verkocht
XM V6
Fiat Topolino 1938
Re: afstelling silentblock van onderste draagarm
Ik heb het antwoord op mijn eigen vraag gevonden en wil het met jullie delen.
Het is het officiele gereedschap om de hoek van de draagarm t.o.v. het paard af te stellen.
Het gaat dus inderdaad om de hart-op-hart afstanden.
Het kaliber heeft in het duitse boek een andere naam: MR-3350-20 i.p.v. MR-630-51/13
Het is het officiele gereedschap om de hoek van de draagarm t.o.v. het paard af te stellen.
Het gaat dus inderdaad om de hart-op-hart afstanden.
Het kaliber heeft in het duitse boek een andere naam: MR-3350-20 i.p.v. MR-630-51/13
Laatst gewijzigd door JanW op do nov 05, 2015 4:06 pm, 9 keer totaal gewijzigd.
een Frans "projectje" blijkt een HY Betaillère te zijn, en is eindelijk klaar! en terug naar haar geboortedorp in de Dordogne.
Traction 11 BN 1953
DS 21 IE hydraulique
DS Break ambulance verkocht
XM V6
Fiat Topolino 1938
Traction 11 BN 1953
DS 21 IE hydraulique
DS Break ambulance verkocht
XM V6
Fiat Topolino 1938
Re: afstelling silentblock van onderste draagarm
Wij willen het antwoord erg graag weten. Dat komt goed uit 
Re: afstelling silentblock van onderste draagarm
Toch nog gevonden in het franse boek
een Frans "projectje" blijkt een HY Betaillère te zijn, en is eindelijk klaar! en terug naar haar geboortedorp in de Dordogne.
Traction 11 BN 1953
DS 21 IE hydraulique
DS Break ambulance verkocht
XM V6
Fiat Topolino 1938
Traction 11 BN 1953
DS 21 IE hydraulique
DS Break ambulance verkocht
XM V6
Fiat Topolino 1938
-
hanmetdsnsm
- HY Forum Beginner

- Berichten: 4
- Lid geworden op: zo jan 03, 2021 11:31 am
Re: afstelling silentblock van onderste draagarm
JanW schreef:Het achterste silentblock rechts achter heeft na 50 jaar "wat" slijtage waardoor de onderste draagarm teveel speling heeft. Is het meestal alleen het silentblock of is dexervarong dat ook de spiebanem op de as geleden hebben? Op t oog zie ik niet veel aan de spiebanen
Die in het sientblock daarentegen zijn dun,scherp en asymmetrisch.
Is er iemand die niet erg gehecht is aan een onderste silentblock rechts achter daar waar de stuurinrichting aan hangt?
Dag Jan en andere forummers,
Dit is mijn eerste post op dit forum, ben vandaag toegelaten, waarvoor dank. Na de verschillende onderwerpen te hebben doorzocht ben ik eigenlijk wel benieuwd of er iemand is die op de vraag van Jan nog een reactie heeft gegeven? Na het uitklaar halen (doorslijpen) van bovenste draagarm holle as blijkt dat mijn onderste draagarm ook speling in de spiebanen heeft.
Voorstel silentblock kun je nog wel krijgen maar de as en het achterste zie ik zo even niet op internet. De club kan vast voorzien maar mijn vraag is of het vervangen moet worden om zonder gebonk te kunnen rijden.... Hoor graag van iemand wat te doen!
Groet, Han
Re: afstelling silentblock van onderste draagarm
Ik heb alles keurig op orde gekregen via de maten hier boven en met een nieuw silentblock uit het Magazijn. De hoogte links en rechts evenals de sporing zijn nu tot op de mm nauwkeurig!
In het magazijn ligt alles om de voortrein weer op orde te krijgen.
In het magazijn ligt alles om de voortrein weer op orde te krijgen.
een Frans "projectje" blijkt een HY Betaillère te zijn, en is eindelijk klaar! en terug naar haar geboortedorp in de Dordogne.
Traction 11 BN 1953
DS 21 IE hydraulique
DS Break ambulance verkocht
XM V6
Fiat Topolino 1938
Traction 11 BN 1953
DS 21 IE hydraulique
DS Break ambulance verkocht
XM V6
Fiat Topolino 1938